高效真空滤油机
ZYA系列高效真空滤油机,采用精密过滤技术,尤其适合野外工作,是需要对绝缘耐压进行检测而开发设计的国内首创产品,。此设备不但可以随时检测过滤效果,而且可以完全替代传统的耐压实验设备。
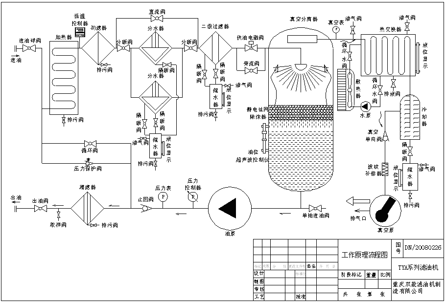
以下是ZYA系列高效真空滤油机工作流程图:

ZYA系列高效真空滤油机
ZYA系列的高效真空滤油机整机一体化、全自动控制、高效、移动方便。流量可以从10L/min——300L/min不等。工作真空度小于-0.08,工作噪声小于78DB,让工作无噪音。设备处理后的油品,完全可以重新使用,油品处理后,含水量小于等于5(GB/T7600)含气量小于0.1最高过滤精度可以达到1μm,完全可以达到使用的标准。
重庆双能滤油机公司欢迎您的来电:023-68190968
双极真空滤油机ZYA系列高效真空滤油机


